Home
   Stephen
   Herbie
   His Friends
   The Stars Come Out
   Stephens Pictures
   Stephens Video
   Other Fun Things
   Links
   Feedback
Menu Java Script by Vista-Buttons.com v5.5

 

 

 

 

 

 

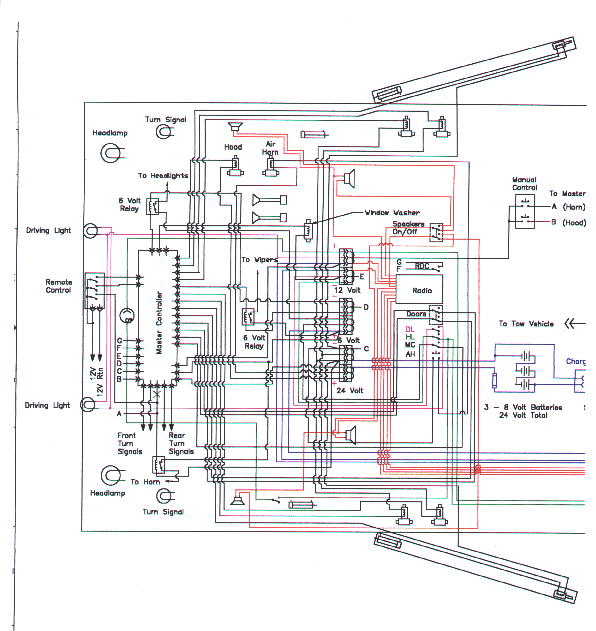
Herbie's Brain and Inner Workings….

In the beginning, Herbie's central nervous system consisted of several electro-mechanical controllers that formed his brain, a pneumatic system with air cylinders under the hood and in the doors, a remote control unit for external activation, a strobe system, halogen driving lights, and because he still had his original 6 volt electrical system, we added a 12 and 24 volt electrical system to help with some of the other everyday functions. Since then, we have replaced the controllers with a new laptop computer (his new brain) that controls up to 128 servo's simultaneously and have added some extra features such as electronically controlled air shocks on all four wheels, servo driven headlights that can look left and right as well as up and down and visors that blink, oil (water) ejectors on his rear wheel and in the engine compartment, and more.   Overall, he is pretty high tech...

 

 

(Click on any picture to enlarge)
 

 

A quick look under the hood shows the amount of wiring and controllers required for Herbie

Just another view of

under the hood

A close-up of the hood solenoids and relays

It was important to keep the

power distribution clean

Extra power sources and

air supply are hidden

behind the rear seat

A 3000 PSI scuba tank and high

energy batteries helps Herbie

meet all his needs 

It takes 3 pneumatic solenoids

 and 2 cylinders to open and

close each door

A close-up of the cylinder used to unlock the doors

The connection to the existing door post really turns out to be quite simple

Inside the car, there is one

control panel that handles

all functions

The main controller (brain) consisted of a 1/2 rpm motor turning a cam and

12 switches

The main controller schematic

diagram (replaced with a laptop

and servo motors/switches)

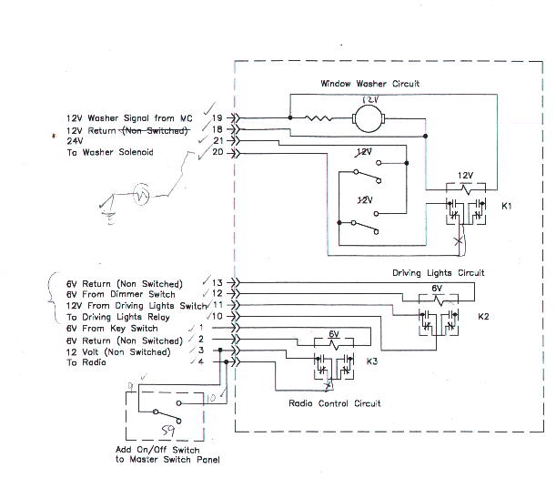
The schematic for the driving lights and  remote horn controller

An overall schematic of

Herbie's central nervous system

A close up of the wiring under the hood

 

To contact us, please use our "Feedback" page
This site was last updated 01/07/2014

 

 

     

 

 

Copyright © 1997  StephensHerbie.Com                                                            Designed by SBP of Florida, LLC